物聯百科
-
5g工業路由器哪種實用,重點推薦4款
從SR510到SR820,這四款5G工業路由器產品各具特色,能夠滿足不同規模、不同需求的工業用戶。它們憑借強大的5G通信能力、豐富的功能和可靠的性能,正在成為推動工業互聯網發展的重要力量。
2024-07-05 10:50:33 admin 285
-
工業級路由器最多可以提供多少臺終端?
工業級路由器支持的終端數量取決于多個因素,如路由器的硬件性能、網絡帶寬、應用場景等。一般來說,工業級路由器可以支持數十到數百臺終端設備同時接入。
2024-07-01 10:19:58 admin 274
-
5g工業路由器價格表及參數(最新解答:5G工業路由器可以用電話卡嗎)
5G時代已經來臨,基于5G技術的工業路由器也將廣泛應用于各類工業場景中。那么5G工業路由器的性能參數和價格水平是怎樣的呢?它是否可以直接使用普通電話卡呢?下面我們一起來了解一下。
2024-01-29 10:51:07 admin 522
-
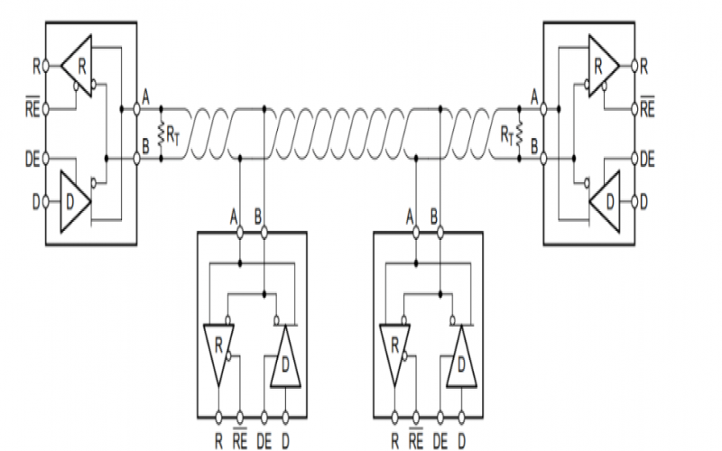
rs485上下拉電阻作用(485輸出為什么接上下拉電阻)
485總線是一種常用的差分信號傳輸方式,它具有抗干擾能力強、傳輸距離遠、節點數多等優點,廣泛應用于通信、工業自動化等領域。但是,在實際應用中,我們可能會遇到一個問題,就是485總線是否需要在A和B兩條線上加上下拉電阻,以及加多大的電阻合適。本文將對這個問題進行分析和解釋。
2023-10-07 14:16:33 admin 1128
-
工業4G路由器的領軍者:星創易聯SR700-d工業級路由器
SR700-d是一款功能強大的工業級路由器,具備高速數據傳輸、穩定性和可靠性等卓越特點。它采用了先進的4G技術,支持多頻段和多運營商網絡,可以在各種復雜環境下提供穩定的連接。無論您是在城市核心區域還是偏遠地區,SR700-d都能為您提供卓越的網絡性能和可用性。
2023-07-20 13:43:06 admin 366
-
光口路由器型號推薦(便宜光口路由器推薦哪款)
星創易聯SR800-01工業級光口路由器具備穩定可靠的連接、高速高效的數據傳輸、安全可靠的網絡保護以及易于管理與集成的眾多優勢。無論是在惡劣的工業環境下還是對于對數據安全性要求較高的工業應用,SR800-01都能提供卓越的性能和可靠性,驅動工業生產力的提升。選擇SR800-01,您將獲得一款可靠、高效、安全且易于管理的工業級光口路由器,為您的企業帶來更多成功機會。
2023-07-18 09:56:09 admin 232
-
工業級路由器(工業4g路由器哪個好,有哪些協議)
工業級路由器是一種專為工業環境設計的路由器,相較于家用路由器,其具有更高的性能、更強的穩定性和更廣泛的適用性,可以在更惡劣的環境中穩定運行。在工業環境中,路由器需要支持多種協議來保證數據的傳輸和交換。以下是一些常見的工業級路由器協議:
2023-04-04 14:18:58 admin 214
-
工業級wifi路由器推薦( 工業大功率無線路由器)
不得不說,這款星創易聯SR500 4G工業級無線路由器真的很給力,首先是工業級所帶來的穩定度是隨身Wi-Fi比不了的,再就是,它還可以在4G和有線之間無縫切換,當然了,還有星創易聯SR500 的重點功能,智能組網之后,就可以實現遠程訪問了,可謂是一物多用。
2022-08-25 16:50:42 admin 1262